Shimano Shimano Spares BR-IM70 inner cable fixing bolt and nut

6,99 Typically ships in 10–15 days
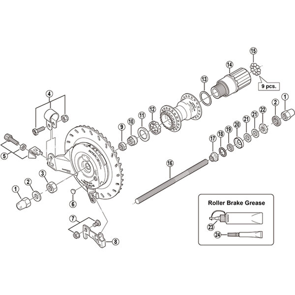
BR-IM70 inner cable fixing bolt and nut is product number 7 in the attached image. Genuine Shimano replacement part. Read more
  • 4.9 out of 5 stars customer feedback
  • 12 months money back guarantee
  • We can assemble bikes before shipping
  • Next-day dispatch from Dublin shop
  • Experts advice when you need it
  • Free ROI Shipping on Orders over €40

Specifications

Brand:
Shimano
EAN:
4524667208495
Availability:
Typically ships in 10–15 days

Information

  • BR-IM70 inner cable fixing bolt and nut is product number 7 in the attached image
  • Genuine Shimano replacement part
                                                                                                                                                                                      
Please accept cookies to help us improve this website Is this OK? Yes No More on cookies »